ABB General Machinery Drives
ACS350, 0.5hp to 10hp Technical Guide
- ABB ACS350 General Machinery Drives
- Technical Specifications
- Ratings, Types, Voltages and Construction
Notes for Product Selection
240VAC Ratings (prices)
480VAC Ratings (prices) - Dimensions, Weight and Noise
- Interface and Options (prices)
- Technical Data
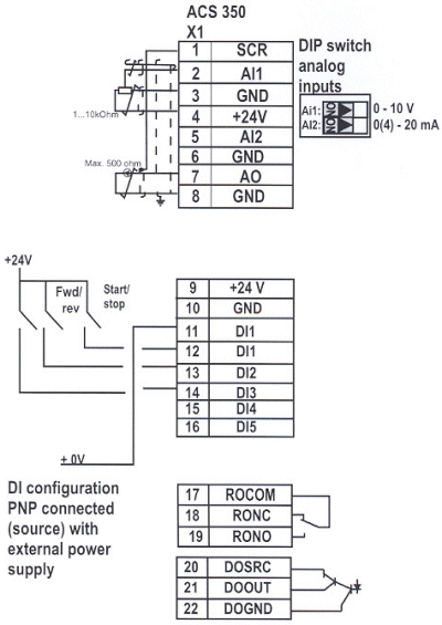
- Control Connections
Control Connections
These connections are show as examples only. Please refer to the ACS350 User’s Manual for more detailed information.

ABB ACS350 Default I/O Connections

ABB ACS 350 DI Configuration
ABB Product Family
| ACS50, ACS150, ACS350 and ACS550 AC Drive Families Includes the ACS50, ACS150, ACS350 and ACS550 AC drives, covering sizes from % hp to 550 hp and voltages from 110 to 600 V. |
![]() |
|
| ACS800 AC Drive Family The ACS800 product family includes Single drives, Multi-Drives, Regenerative AC drives, and Ultra Low Harmonic drives in ratings from 0.75 hp to 3,000 hp and voltages from 230 to 690 V. |
![]() |
|
| Medium Voltage Drives ABB’s highly reliable ACS1000 is available from 400 hp to 6,700 hp and voltages of 2.3, 3.3, and 4.16 kV. |
![]() |
|
| DCS 400 and DCS 500 DC Drive Families DCS 400 and DCS 500 DC Drives are available from 5 hp to 10,000 hp and voltages from 230 to 1,190 V. |
![]() |
|
Low Voltage AC, DC and Medium Voltage AC Motors Low-voltage AC motors from ABB range from % hp to 800 hp and voltages from 208 to 480 V. A wide range of medium-voltage AC and low-voltage DC motors are also available. |
![]() |
|
ABB Control ABB provides the widest range of low voltage products and systems. Our broad product lines include high-quality solutions for industrial controls, circuit protection devices, starters & soft-starters, automation, and wire management & connection systems. |
||
| ABB Inc. Low Voltage Drives 16250 W. Glendale Drive New Berlin, WI 53151 |
ABB Inc. Drives & LVC Canada 3299 J.B. Deschamps Blvd. Lachine, Quebec H8T 3E4 |
||
| Telephone Fax Internet |
(800) 752-0696 (262) 785-0397 http://www.abb.us/drives |
Telephone Fax Internet |
(800) 215-3006 (514) 420-3137 http://www.abb.com/motors&drives http://www.abb-drives.com |
© 2006 ABB Inc. ACS350-PHTC01U-EN REV B, Effective: 1/1/06.
Specifications subject to change without notice.




